您好,欢迎来到山东中煤工矿集团!

JDC型调度绞车的传动原理是怎样的?

编辑:中煤集团  发布时间:   浏览:

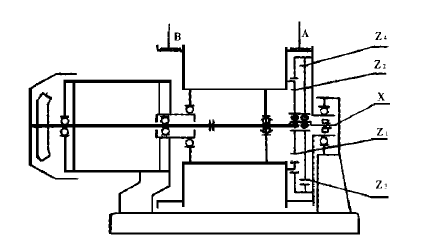
JDC型调度绞车由电动机、刹车装置、卷筒、底座、齿轮架和偏心轴组件组成,偏心轴组件是该绞车的核心部件。

其传动原理是,电机通过键带动偏心轴旋转;偏心轴另一端装有双联齿轮、轴承、平衡块,双联齿轮分别与卷筒上的小齿圈和刹车轮A上的大齿圈相啮合;由于偏心轴上双联齿轮受到内齿轮的限制,既作平面运动,也就是偏心齿轮由曲轴带动作圆周平移运动,还绕自身轴线作回转运动,当大齿轮圈固定不动时,和双联齿轮相啮合的小齿圈作定轴回转运动,构成了少齿差齿轮传动,从而驱动滚筒旋转工作。操作者利用抱紧刹车轮A,松开刹车轮B使卷筒旋转工作;松开刹车轮A,抱紧刹车轮B,轮A空转,卷筒停止旋转。

常见问题

问题分类

在线提交问题

3D模拟动画

产品Flash

3D展厅