您好,欢迎来到山东中煤工矿集团!
大型设备
煤安认证 质检报告 专利产品 出口产品
推荐 热销

电液动犁式卸料器

电液动犁式卸料器广泛用于矿山、冶金、电场、煤场、集运站、港口码头等输送机的分段卸料。电液动犁式卸料器是安装在胶带输送机的中间架上,执行卸料及控制物料输送流量....

在手机上查看本产品
中煤官方微信支付
中煤官方微信支付
网站配图

电液动犁式卸料器产品详情

电液动犁式卸料器产品介绍

电液动犁式卸料器广泛用于矿山、冶金、电场、煤场、集运站、港口码头等输送机的分段卸料。电液动犁式卸料器是安装在胶带输送机的中间架上,执行卸料及控制物料输送流量、流向的机械产品,能将交代输送的物料均匀、连续卸入料斗或需要的场所。电液动犁式卸料器增加了可变槽角、副犁刀等,并改用电液推杆做动力源,克服了老式卸料器犁料不尽、刮胶带以及过载能力差,常烧毁电机,顶弯丝杠,机械易损坏等缺点。

电液动犁式卸料器结构特点:

1、犁头可分为单犁头或双犁头,前犁刀为铬镍不锈钢锒制,后犁刀为高分子聚乙烯板制造,前后犁刀可以更换,这种结构既能卸料干净且保护胶带。
2、犁头锁紧装置已作重大改进,锁紧可靠,工作时犁头不会抬起或抖动,并可调节犁头高低,位置贴近胶带,无漏料现象。
3、驱动装置采用电液推杆,实现机电一体化,循环油路为全密封结构,能适应恶劣环境下工作,根据用户需要可提供手电两用电液推杆或机械自锁式电液推杆。
4、采用变形托辊组与电液推杆工作机械同步,推杆一个工作循环,变形托辊组完成从槽形到平形再到槽形的自动变换。

5、电机防护等级根据环境来决定,易燃易爆工况采用IP54电机。

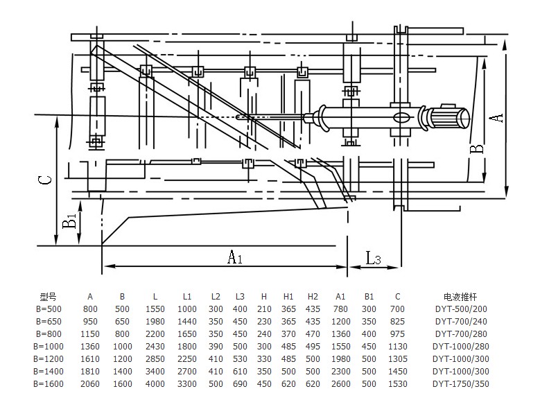
电液动犁式卸料器技术参数



电液动犁式卸料器产品图片


电液动犁式卸料器企业实力

VR集团实景 电液动犁式卸料器

请拨打集团 销售专员热线

山东济宁高新区开源路北11号

产品评分
整体评分: 优秀

9 条评论

最新评论

 
评分
必填
必填
必填
提交